- 所属分类:粉体加工设备
- 品 牌:紫 光
- 产 地:盐 城
- 联系人:王经理 18361086656
产品详情
随着我国粉煤灰综合利用技术的日益成熟和推广,粉煤灰综合利用已经不 于环保的要求,粉煤灰综合利用的巨大的经济效益已经得以体现。在我国东南沿海及一些发达地区粉煤灰成品细灰甚至出现供不应求的局面。
ZG系列粉煤灰磨细技术
一、概述
随着我国粉煤灰综合利用技术的日益成熟和推广,粉煤灰综合利用已经不 于环保的要求,粉煤灰综合利用的巨大的经济效益已经得以体现。在我国东南沿海及一些发达地区粉煤灰成品细灰甚至出现供不应求的局面。现国内大量燃煤电厂所排放的粉煤灰原灰,其细度值一般在20%~50%之间变化(325目筛余),达不到国家标准(GB196-91)规定的一级灰和二级灰要求。各电厂一般采用粉煤灰干法分选技术将原灰进行粗细分离以获得成品细灰,获得一定经济效益。但分选后的粗灰(一般细度值65%左右),并未得到充分利用,一般仍 地排放或者低价售出,甚至成为企业的包袱。利用粉煤灰专用超细磨机将原灰或分选后的粗灰为主的混合料进行超细研磨,使之具有一定的水硬活性,生产出能配制高性能砼的 掺合超细灰,达到粉煤灰完全利用的目的,创造更大的经济效益。
用球磨机进行粉体磨细,这在水泥行业已经应用多年,技术成熟,磨机产品已经相对系列化。借鉴国内外多种高细高产水泥磨机的原理和结构,盐城紫光公司科研部门联合了国内粉煤灰综合应用 知名的院校南京工业大学材料科学系,成功研制开发了粉煤灰细磨专用的球磨机,将燃煤电厂排放的原灰或者粗灰进行磨细,达到成品灰细度。在球磨机后增设一台分选设备,将经过球磨机研磨过的煤灰进行分选,分选后将粗灰重新返回球磨机进行超细研磨,生产出能配制高性能砼的 掺合料(微粉),大大提高了粉煤灰综合利用的经济效益,能够实现粉煤灰的全部综合利用。
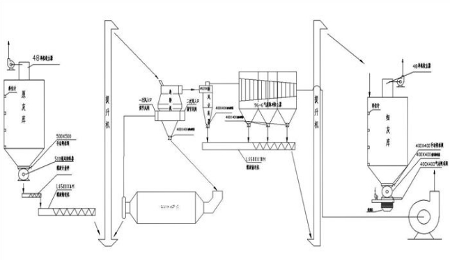
二、粉煤灰磨细系统概述
1、磨细系统流程简介
ZG系列粉煤灰超细球磨机系统主要由原灰仓,辅料仓、螺旋给料机、电子计量称、粉煤灰专用球磨机、选粉机、气箱脉冲布袋除尘器、引风机、螺旋输送机、斗式提升机、给料机、控制系统等组成。
系统直接由原灰仓下取灰,经螺旋给料机给料,电子称称重后由空气斜槽输送进入磨头提升机,由提升机喂入选粉机进行磨细前的分选,分选后的粗灰经空气斜槽送入磨机进料口,进入球磨机研磨,经磨机研磨后的物料中含有大量细灰,再次由提升机喂入选粉机分选,分选出的细灰经后续输送设备送入成品灰库,磨机尾部配有收尘系统进行收尘,采用此种闭路研磨工艺与开路(无选粉机)系统相比可提高台时产量30~40%以上,是粉煤灰磨细深加工的理想设备.
2、磨细系统流程图(附)

工作原理:ZG列粉煤灰磨机,由给料部分、筒体部分和出料部分等工作部分以及轴承座、大小齿轮、减速机、联轴器等传动部件、电机、电控部分等组成。
3、将普通球磨机改造成ZG列粉煤灰专用研磨机
磨机筒体一般分为二仓,针对粉煤灰或粗灰和混合料的粒径组成及其易磨性,对球磨机内装置进行粉煤灰专用超细磨的改造:采用我司生产的ZG系列螺桨形粉煤灰磨专用的双层筛分隔仓板对球磨机进行系统改造,使之更加适合粉煤灰磨细的闭路生产工艺。
㈠ ZG系列螺桨形粉煤灰磨双层筛分隔仓板参数:
⑴ 篦板、带孔护板:
铸件材质:锰铬合金 篦缝:5mm
⑵ 筛架:
粉煤灰磨专用,材质为进口耐磨钢板.
⑶ 筛板:
冲压件材质:δ3mm不锈钢 . 筛缝: 1.2~1.5mm
⑷ 标准件:(筒体及筛架联接螺栓、螺母)视磨机规格而定
㈡ 具体改造措施:
⑴ 采用粉煤灰专用双层筛分隔仓板替代原隔仓板,隔仓板篦缝为5mm,中间不锈钢筛板筛缝为1.2mm,这样可有效地控制进入二仓颗粒的粒径,加速一仓合格颗粒导入二仓进行高效研磨,减少一仓内的过粉磨现象。
⑵ 根据粉煤灰的易磨程度及水份确定磨机一仓的长度,通常一仓采用φ20~φ50的钢球进行配球,二仓采用φ8~φ16小规格钢锻,因微锻表面积相对较大,可对细颗粒料进行高效研磨,同时降低研磨体直径可延缓磨内物料的流速,增加物料在磨内的停留时间,加强研磨。
⑶ 在磨机尾仓内增加活化衬板,可有效减缓物料在尾仓内的流速,同时可增强小锻的研磨功能,提高产品的比表面积。
⑷ 磨尾出料篦板为小篦缝5mm专用出料篦板(可在原基础上进行改造),调整扬料板直径以控制物料出磨流速。双层隔仓板反端面采用带有通风篦缝的护板,既保护了不锈钢筛板不被研磨体磨蚀又加强了磨内通风,促进合格细粉被及时排出磨机,减少过粉磨现象。
⑸ 选择合适的磨内通风速度,适宜风速0.8~1.0m/s,缩短合格细物料在磨内停留时间,促进微粉和粉磨产生的热量及时排出磨机,提高粉磨效率。
⑹ 磨尾下料处需加设翻板锁风装置且锁风装置应灵活动作。
一般采用圈流工艺,可以明显提高系统的台时产量,减小单位产品的电耗,降低生产成本。磨机采用脉冲布袋除尘器除尘,风机电机采用变频调速,以调节磨内风速,控制物料流速和细度。
三、安装说明
1、安装基础说明
(1)、该类磨机必须安装在已经干燥的坚固的钢筋混凝土基础之上
(2)、基础不许有显著的倾斜与下沉,如有少许下沉也应是均衡和水平的,否则不能进行安装。
(3)、该类磨机的基础与地平面应有足够的高度,以供更换衬板及研磨介质之用。
(4)、基础的设计可参考本公司的基础图进行。但不可将该图直接用作基础施工工作图。
2、安装前的准备工作
(1)在安装前必须将所有的零件和部件的加工工作表面上的防锈油防护物及在运输中落上的灰尘和污垢去掉。
(2)检查各加工工作表面和螺纹,并应将在运输和装卸过程中产生的缺陷消除。
(3)装配好的部件应仔细的检查,如果发现在运输和保管时某些零件损坏或遗失,必须将缺陷件修好或更换,丢失件补全。
(4)安装时零件之接触或连接加工表面应润滑,固定表面用干油,活动表面用稀油。
(5)安装前应将基础上所有的槽和坑清扫干净,并应做到末尾浇注的水泥表面不许有油渍。
(6)安装应保护好磨擦面,不可用棉纱或不洁油来擦洗,零件加工面容易污垢的地方应以专用的护板和干净的帆布罩上。
- 上一篇:粉煤灰分选工艺
- 下一篇:最后一篇




